网站首页
方圆云
企业邮箱
内部登陆
English
方圆介绍
Introduction
新闻中心
News Center
证书查询
Certificate inquiry
服务网络
Service network
人才招聘
Recruitment
联系我们
Contact us
中国绿色产品认证
认证要求变更通知
通用规则及政策文件
标志样式及申请
认证范围
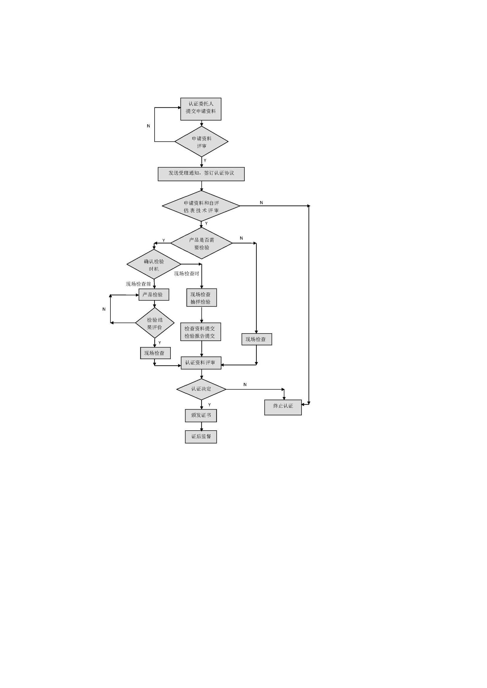
认证流程
证书样本
认证介绍
收费标准
产品认证收费公示
客户中心
在线申请
在线咨询
证书查询
客户投诉
方圆总机
:
010-88411888
申投诉专线:
010-68422203
服务网络
--分支机构--
辽宁有限公司
四川有限公司
陕西有限公司
上海有限公司
北京特检有限公司
河南有限公司
山西有限公司
安徽有限公司
福建有限公司
厦门有限公司
湖南有限公司
重庆有限公司
江西有限公司
新疆分公司
广东有限公司
山东有限公司
浙江有限公司
江苏有限公司
河北有限公司
大连有限公司
方圆正联知识产权
您现在的位置:
首页
>
产品认证
>
产品认证
>
中国绿色产品认证
认证流程
米兰app官方端网站入口
|
西甲中国官方网站
|
球友会在线登录_球友会(中国)
|
JIUYOU.COM九游娱乐(中国)官网
|
九游体育(www.jiuyou.com)官方网站
|
中欧官方网站_中欧(中国)
|
乐鱼网页版·官方站网站
|
1xbet在线登录官网
|
乐鱼平台
|